-
Pakiet
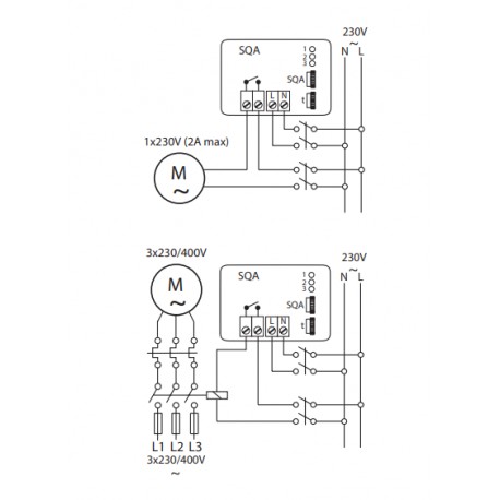
SQA - czujnik zanieczyszczenia powietrza, włącza lub wyłącza wentylator kiedy jakość powietrza spadnie poniżej nastawionego poziomu. Czujnik reaguje na zawieszone w powietrzu pyły, pary, nieprzyjemne zapachy czy dym z papierosów. Czujnik wyposażony jest w opóźnienie czasowe regulowane (1÷25 minut).
Czujnik SQA nie jest przeznaczony do wykrywania gazów palnych, czy montażu w instalacjach bezpieczeństwa ani jako detektor alarmu pożarowego.
Venture Industries Sp. z o. o.
ul. Mokra 27, 05-092 Łomianki-Kiełpin
Warszawa, Poland
(22) 7519550, 7512031
venture@venture.pl
Darco
Aparat nawiewny AN – II generacji przeznaczony jest do rozprowadzania ciepłego powietrza z kapy nad paleniskiem do pomieszczeń mieszkalnych.
Darco
Partnersite
Rozdzielnice elektryczne serii Partnersite ERB 32E są opracowane dla firm prowadzących prace budowlane, organizujących różnego typu eventy i imprezy okolicznościowe lub dla zakładów pracy czy centrów logistycznych, gdzie jest potrzeba zasilenia urządzeń mobilnych.
Partnersite
Rozdzielnica elektryczna model Partnersite ERB 60A1 przeznaczona do zasilania miejsc pracy w trakcie prowadzenia różnych prac budowlanych.
Vents
wykonany z pcv, do tworzenia systemów wentylacyjnych
Alnor
Rekuperator HRU-SlimAIR H to centrala wentylacyjna z odzyskiem ciepła przeznaczona do budynków mieszkalnych. Urządzenie wykorzystuje przeciwprądowy wymiennik ciepła z tworzywa PET oraz energooszczędne wentylatory EC, zapewniając wydajność od 250 do 1000 m³/h @100 Pa. System może być wyposażony w wymiennik entalpiczny odzyskujący wilgoć, wbudowaną nagrzewnicę przeciwzamrożeniową oraz czujnik wilgotności RH. Konstrukcja z EPP zapewnia dobrą izolację i niską wagę urządzenia, a możliwość montażu w kilku pozycjach ułatwia instalację. Model HRU-SlimAIR-250 posiada certyfikat Passive House Institute.
Ventmann
Modele SQUARE, podobnie jak wszystkie inne nawiewniki gipsowe, mogą być gipsowane razem ze ścianą lub sufitem.
Vents
stosuje się w systemach wentylacji w celu włączenia/ wyłączenia i regulowania prędkości obrotów jednofazowych silników elektrycznych wentylatorów sterowanych napięciem
Climtec
Rekuperatory Climtec™ wentylują pomieszczenie, jednocześnie utrzymując optymalną temperaturę niezależnie od tego, jaka temperatura jest na zewnątrz.
Darco
Zwiększenie i stabilizacja ciągu kominowego niezależnie od wysokości
*-ML - blacha chromoniklowa malowana proszkowo.
Soler & Palau
Zakres obciążenia 1-10 A
SystemAir
Anemostaty sufitowe nawiewne lub wywiewne ADQ wykonane są z anodowanego aluminium z powłoką satynową.
Ventmann
Modele CIRCLE, podobnie jak wszystkie inne nawiewniki gipsowe, mogą być gipsowane razem ze ścianą lub sufitem.
Blauberg
Okap zewnętrzny ze stali nierdzewnej AH-S 160.
Darco
Przepustnica z cięgnem reguluje przepływ powietrza w systemach prostokątnych.
Czujnik zanieczyszczenia powietrza, włącza lub wyłącza wentylator kiedy jakość powietrza spadnie poniżej nastawionego poziomu.
Czujnik zanieczyszczenia powietrza, włącza lub wyłącza wentylator kiedy jakość powietrza spadnie poniżej nastawionego poziomu.
Czujnik zanieczyszczenia powietrza, włącza lub wyłącza wentylator kiedy jakość powietrza spadnie poniżej nastawionego poziomu.
Czujnik zanieczyszczenia powietrza, włącza lub wyłącza wentylator kiedy jakość powietrza spadnie poniżej nastawionego poziomu.
Czujnik zanieczyszczenia powietrza, włącza lub wyłącza wentylator kiedy jakość powietrza spadnie poniżej nastawionego poziomu.