-
Pakiet
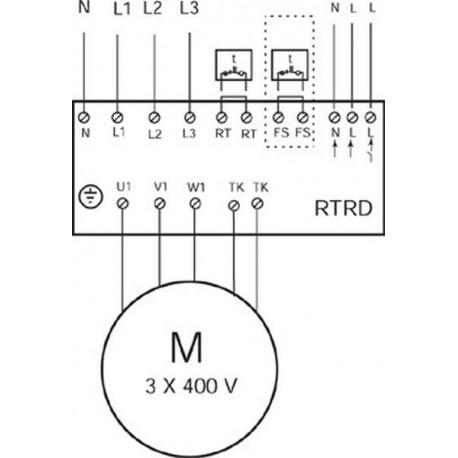
Regulator transformatorowy, 5 stopniowy z ręcznym sterowaniem, z obwodem zabezpieczenia termicznego
Trójfazowy (3x400V), pięciostopniowy regulator transformatorowy do regulacji wydatku wentylatorów z wbudowanym obwodem ochrony termicznej silnika z czujnikiem TK. Zadziałanie czujnika TK powoduje wyłączenie zasilania przez regulator. Wartość napięcia wyjściowego (na zaciskach U1;V1;W1) zmienia się skokowo przez przełączanie pokrętłem na czołowej ściance obudowy. Ponadto regulator wyposażony jest w dwa wyjścia sygnalizacyjne: N-L | oraz N-L / . Na wyjściu N-L | jest potencjał ~230V, jeżeli do regulatora doprowadzone jest zasilanie. Na wyjściu N-L / pojawia się potencjał ~230V jeżeli regulator pracuje. Wyjście to można użyć np. do sterownia przepustnicą, nagrzewnicą itd. Regulator ma trzy wejścia sterujące oznaczone TK-TK, FS-FS oraz RT-RT. Wejście TK-TK służy do podłączania czujnika TK silnika. Wyzwolenie TK (rozwarcie obwodu) powoduje wyłączenie regulatora. Reset regulatora wykonuje się przez wyłączenie (pokrętło ustawione na „0”) na około 10 s. Wejścia RT-RT oraz FS-FS zmostkowane przy dostawie służą do zdalnego wyłączania regulatora. Przerwanie połączenia pomiędzy zaciskami RT-RT (np. przez termostat pokojowy) czy FS-FS (np.: przez termostat przeciwzamrożeniowy) powoduje wyłączenie regulatora. Lampka na obudowie sygnalizuje pracę urządzenia. Wyłączenie regulatora (pokrętło ustawione na „0”, przerwa w obwodach RT-RT, FS-FS lub TK-TK)) powoduje odłączenie wyjść U1;V1;W1 oraz N-L /. UWAGA: N-L | pozostaje pod napięciem!
Napięcia wyjściowe dla poszczególnych biegów:
Bieg 1 2 3 4 5
Napięcie [V] 90 140 180 230 400
Znamionowe napięcie zasilające 3x400V, 50/60Hz.
Systemair S.A.
Al. Krakowska 169,
Łazy, 05-552 Wólka Kosowska
Telefon: +48 22 703 50 00
info@systemair.pl
SystemAir
z uchylną obudową
SystemAir
z uchylną obudową
SystemAir
pionowy wyrzut powietrza, obudowa izolowana akustycznie
Vents
Tyrystorowe regulatory obrotów wentylatorów AREB
Harmann
przeznaczony do współpracy z elektrycznymi nagrzewnicami powietrza zasilanymi prądem jednofazowym (230V) o mocy maksymalnej 3,2 kW oraz dwufazowym (2x400V) o maksymalnej mocy 6,4 kW i natężeniu prądu 16 A
Vents
Regulator transformatorowy prędkości wentylatorów ARW
Havaco
Regulatory transformatorowe obrotów HRB HAVACO są przystosowane do zmiany prędkości obrotowej silników poprzez zmianę napięcia.
Harmann
przeznaczony do silników (wentylatorów) jednofazowych
Venture Industries
Przełącznik biegów (0-1-2-3) przeznaczony wyłącznie do wentylatorów z trzybiegowymi silnikami jednofazowymi
Alnor
Panel dotykowy HRU-CONTR-TPAD służy do sterowania pracą rekuperatora.
Vents
Tyrystorowe regulatory obrotów wentylatorów ARES
Vents
stosuje się w systemach wentylacji w celu włączenia/ wyłączenia i regulowania prędkości obrotów jednofazowych silników elektrycznych wentylatorów sterowanych napięciem
Venture Industries
Jednofazowy, bezstopniowy regulator tyrystorowy, dostępny w wersji natynkowej. Urządzenie ma możliwość regulacji dolnego zakresu nastawy, wyposażone jest w wyłącznik zintegrowany z nastawnikiem.
Soler & Palau
Zakres obciążenia 1-10 A
Havaco
Potencjometr HMTP HAVACO Regulator HMTP został opracowany do sterowania urządzeniami, które potrzebują bezstopniowego sygnału sterującego.