-
Pakiet
Zastosowanie
Wentylacja nawiewno-wywiewna biur, sklepów, magazynów.Współpraca z kuchennymi okapami wyposażonymi w separatory tłuszczu.
Konstrukcja
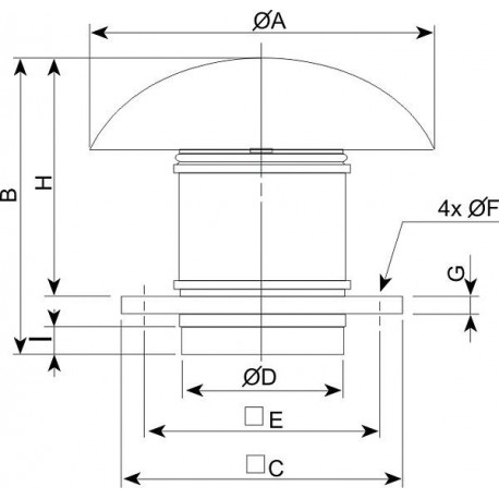
Wentylator dachowy wywiewny lub nawiewny przeznaczony do wentylacji pomieszczeń o niskim stopniu zanieczyszczenia powietrza. Wirnik z tworzywa sztucznego (TH 500, 800) lub z blachy stalowej (TH 1300, 2000). Czasza modeli TH 500 i 800 jest wykonana z blachy stalowej, a TH 1300 i 2000 z aluminium, płyta podstawy wykonana z blachy stalowej.
Metalowe elementy chronione są przed korozją farbą poliestrową. Standardowo wentylatory są montowane do pracy wyciągowej (wywiew powietrza).
W celu zmiany pracy na nawiew należy moduł z wirnikiem obrócić o 180 , usunąć kierownicę i ponownie skręcić elementy wentylatora.
Silnik elektryczny
Wentylatory TH wyposażone są w jednofazowe silniki indukcyjne o stopniu ochrony IP 44 i klasie izolacji B.
W wykonaniu standardowym silniki te przystosowane są do pracy na dwóch prędkościach obrotowych i posiadają termiczne zabezpieczenie uzwojenia przed przeciążeniem.
Silniki przystosowane do napięciowej regulacji prędkości obrotowej.
Venture Industries Sp. z o. o.
ul. Mokra 27
05-092 Łomianki-Kiełpin
Warszawa
venture@venture.pl
(22) 7519550, 7512031
Harmann
Podstawa dachowa do dachów płaskich
Produkt Polski
bez uszczelki
Vents
kołnierz przyścienny, kanał elastyczny pvc nieizolowany 1mb, 2x opaska zaciskowa metalowa
Harmann
Obudowa wykonana z aluminium. Wentylator wyposażony w zintegrowany wyłącznik serwisowy
Harmann
Harmann
Konstrukcja wentylatora składa się z niskoprofilowanej obudowy zaprojektowanej w kształcie ośmiokąta, która redukuje straty ciśnienia przepływającego strumienia powietrza
SystemAir
pionowy wyrzut powietrza, obudowa izolowana akustycznie
Tywent
Wentylator dachowy z wirnikiem promieniowym
Tywent
Wentylatory dachowe z pionowym wyrzutem powietrza. Charakteryzują się dużą wydajnością i odpornością na zanieczyszczenia, przy niskiej emisji hałasu do otoczenia.
SystemAir
z uchylną obudową
Tywent
Dachowe wentylatory przeciwwybuchowe z pionowym wyrzutem powietrza
Venture Industries
Wentylatory dachowe RFV przeznaczone są do wentylacji pomieszczeń o niskim stopniu zanieczyszczenia powietrza. Wentylatory te znajdują zastosowanie w wentylacji lokali handlowych, hal przemysłowych, garaży, magazynów i budynków użyteczności publicznej.
Tywent
Rodzina wentylatorów stacjonarnych w wykonaniu promieniowym kwasoodpornym. Stosowane wszędzie tam gdzie istnieje możliwość zanieczyszczenia powietrza przetłaczanego substancjami żrącymi itp.
SystemAir
poziomy wyrzut powietrza
Salda
Havaco
wywiewny lub nawiewny (w przypadku odwrotnego zamontowania modułu wentylatorowego)
wywiewny lub nawiewny (w przypadku odwrotnego zamontowania modułu wentylatorowego)
wywiewny lub nawiewny (w przypadku odwrotnego zamontowania modułu wentylatorowego)
wywiewny lub nawiewny (w przypadku odwrotnego zamontowania modułu wentylatorowego)