-
Pakiet
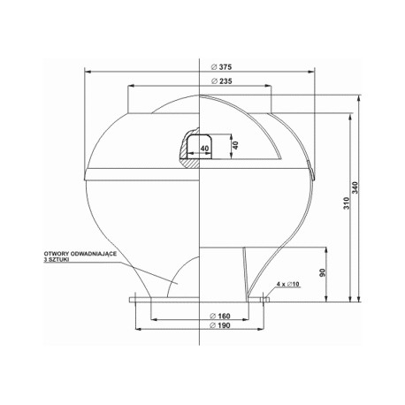
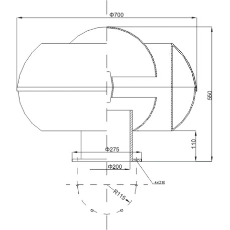
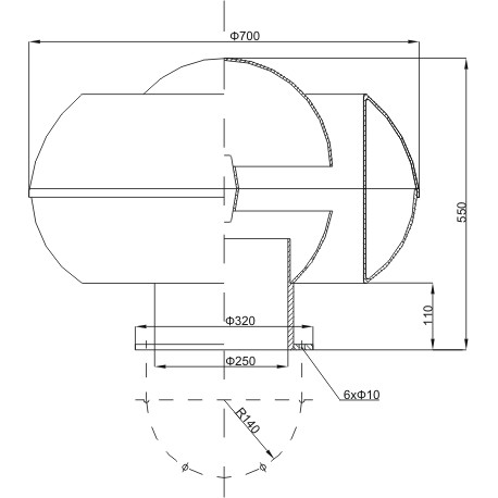
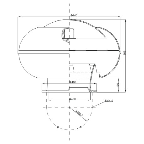
Wywietrzniki WLO EQ to konstrukcja wywietrzników grawitacyjnych wykonanych w całości ze specjalnego kompozytu poliestrowego zbrojonego włóknem szklanym z domieszką substancji pozwalających uzyskać niski poziom rezystancji elektrycznej tworzywa, oraz tym samym zapewnić właściwą upłynność ładunku elektrostatycznego. Ze względu na właściwości tworzywa, jedynym możliwym kolorem wykonania wywietrznika jest kolor czarny. Dzięki zastosowanym materiałom i technologii wykonania wytworzona konstrukcja posiada kształt opływowy. Pozwala to na osiągnięcie optymalnych ilości powietrza wywiewanego z pomieszczeń wentylowanych. Rozwiązanie konstrukcyjne uniemożliwia w przypadku opadów przedostawanie się deszczu do wewnątrz pomieszczenia wentylowanego, a owiewający zewnętrzną powierzchnię wywietrznika wiatr w istotny sposób poprawia jego parametry wywiewne. Miejsca zastosowań do wentylacji pomieszczeń w których możliwe jest występowanie par i gazów wybuchowych, takich jak acetylenownie, wodorownie, lampownie górnicze, akumulatorownie, malarnie, pralnie chemiczne, magazyny chemiczne, magazyny olejów i smarów itp.

Uniwersal Sp. z o.o.
ul. Zakopiańska 1a
40-219 Katowice
office@uniwersal.com.pl
+48 (32) 203 71 47
Uniwersal
Darco
Wykonane z blachy ocynkowanej.